【メンテナンスのすすめ】軟水装置の突発的な故障を防ぐには
先日、宮城県某所で軟水装置の部品交換作業を行いました(参考写真①)

こちらのお客様から「軟水がちゃんと取れない」というご相談があり、現地で色々調査を行なった結果、再生工程時に問題があるのではないかと判断し再生工程時に稼働するピストン部の交換を行うこととなりました。
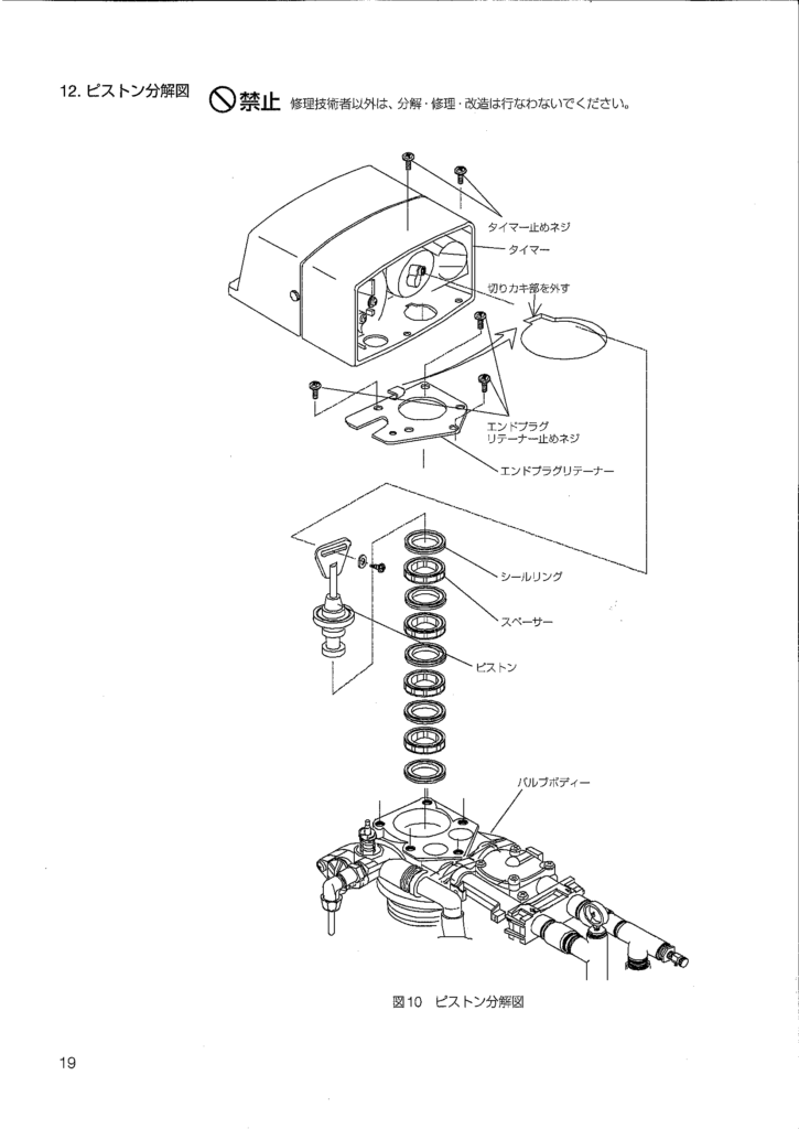
ピストンとはこのような部品で再生工程時に稼働することにより水の流れを変えて再生工程を行う重要な部品です(ピストン分際図参照)

交換した際の写真です。(参考写真の②、③)


ご覧の通りスペーサーが破損しており、正常に再生工程を行うことができない状況となっておりました。要因としては
:原水系統の配管腐食により鉄錆が混入しピストンやパッキンの間に挟まり損傷させた
:常にピストン部に規定以上の圧力がかかっていた
上記のことが考えられます。今後、お客様にご相談の上、対応策を取っていきたいと思います。
最後に
今回の事例は非常にまれな事象と言えます。しかし、どこの現場でも「急に軟水が取れなくなった」「再生工程がうまくいっていない」など不具合は突然発生します。特にボイラの付帯設備である軟水装置は重要な設備ですので、定期的なメンテナンスが不可欠です。「うちの軟水装置は何もしていないけど大丈夫かな」、「そろそろイオン交換樹脂の交換が必要なのではないか」など思うところがありましたら気軽にご相談ください。